取扱い品目
カウンター下 ラック
ご案内いろいろ
三谷正昭のブログ
現在の受注状況
営業日カレンダー
トップページ> オーダーメイド> 用途別一覧>製作例のページ
タブVラック
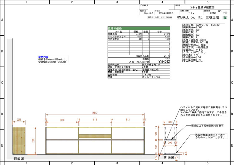
東京都 サイズW様2512×D320×H700mm パイン集成材 オイル仕上げ
この作品に問合せる
作品NO
*お名前(必須) お名前を入力下さい。
*メールアドレス(必須) アドレスをご入力下さい。無効な形式です。
*お問合せ内容(必須) お問合せ内容をご入力下さい。
第三者閲覧防止のため内容確認でSSL暗号化を行っています。